Progettazione e modellazione 3D per la centrale termoelettrica di Tavazzano e Montanaso

PREMESSA
Il progetto di efficientamento della centrale termoelettrica di Tavazzano e Montanaso (Lodi, Italia) di proprietà di EP Produzione, rappresenta un intervento strategico per la sicurezza del sistema elettrico nazionale e per la transizione energetica del Paese.
Ansaldo Energia, in qualità di EPC Contractor, ha gestito l’intera realizzazione della nuova unità produttiva: un ciclo combinato composto da una turbina a gas GT36 di classe H accoppiata a una turbina a vapore e ai relativi generatori, tutti progettati e costruiti negli stabilimenti Ansaldo Energia. La GT36, il modello di punta dell’azienda, combina elevate prestazioni e basse emissioni, grazie alla capacità di adattarsi alle variazioni di carico e alla predisposizione alla combustione di idrogeno fino al 70%.
Con questo intervento, EP Produzione contribuisce in modo concreto agli obiettivi del PNIEC (Piano Nazionale Integrato per l’Energia e il Clima), riducendo le emissioni di carbonio e migliorando la flessibilità del sistema energetico italiano.
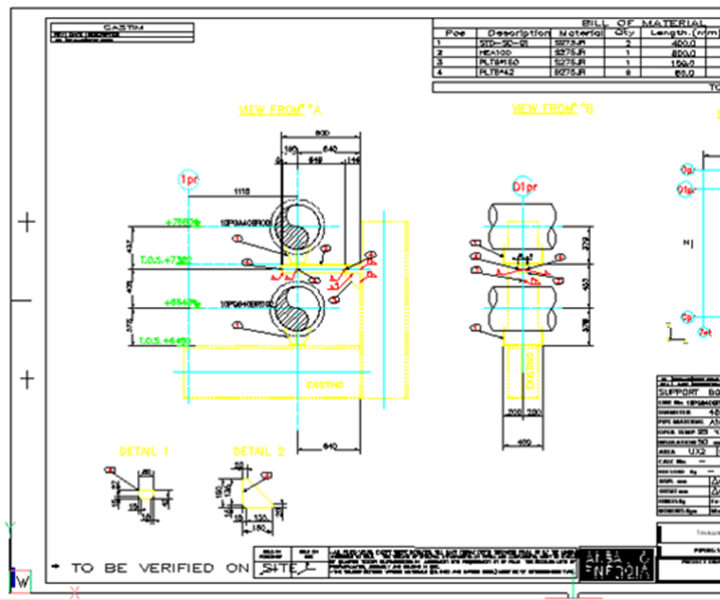
STEP 1
Progettazione e modellazione
dei supporti meccanici
Nell’ambito del progetto, CASTIM 2000 e 3Units hanno collaborato alla progettazione, modellazione 3D e costruzione dei supporti meccanici della nuova centrale.
Partendo dalla documentazione di progetto, ogni singolo supporto superiore o inferiore è stato dimensionato in base ai carichi applicati e modellato in ambiente 3D mediante TEKLA®, per poi essere inserito nel modello integrato SMART 3D®.
Questo ha permesso di verificare in anticipo interferenze, accessibilità e ingombri, assicurando precisione e coerenza tra progettazione, costruzione e montaggio.
STEP 2
Automazione e ottimizzazione
del flusso produttivo
Grazie a una configurazione avanzata dei software e a collegamenti diretti con fogli Excel, è stato possibile automatizzare in modo significativo la generazione delle tavole costruttive 2D e degli elenchi materiali, riducendo al minimo l’intervento manuale dell’operatore.
Questa automazione ha garantito una gestione efficiente dei dati, la tracciabilità delle informazioni e una consegna puntuale dei circa 2.500 supporti progettati da CASTIM 2000, nonostante le difficoltà di approvvigionamento dei materiali speciali (P91/P92).
Progetto strategico
Supporti progettati
Software integrati
CONCLUSIONI
Ingegneria integrata per la transizione energetica
Il progetto di Tavazzano e Montanaso è un esempio virtuoso di collaborazione tra engineering e digitalizzazione 3D applicata al settore energetico. Attraverso un flusso di lavoro integrato e strumenti di modellazione avanzata, 3Units ha contribuito a garantire la precisione, la rapidità e la qualità dell’intero processo costruttivo – supportando Ansaldo Energia e CASTIM 2000 nella realizzazione di un impianto chiave per la produzione flessibile e a basse emissioni.