3D Design and modelling for the Tavazzano and Montanaso Power Plant

INTRODUCTION
The efficiency upgrade of the Tavazzano and Montanaso thermoelectric power plant (Lodi, Italy), owned by EP Produzione, represents a strategic intervention for the security of the national electricity system and for Italy’s broader energy transition.
Ansaldo Energia, acting as EPC contractor, managed the entire development of the new production unit: a combined-cycle system consisting of a GT36 H-class gas turbine, a steam turbine and their respective generators, all designed and manufactured at Ansaldo Energia’s facilities. The GT36 — the company’s flagship turbine — delivers high performance with low emissions, offering exceptional operational flexibility and being fully designed to burn hydrogen blends of up to 70%.
Through this upgrade, EP Produzione contributes concretely to the goals of the PNIEC (Italy’s Integrated National Energy and Climate Plan), reducing carbon emissions and enhancing the flexibility of the national energy infrastructure.
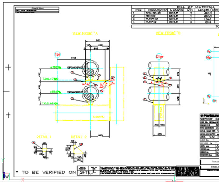
STEP 1
Design and 3D modelling
of mechanical supports
As part of the project, CASTIM 2000 and 3Units collaborated on the design, 3D modelling and construction of the mechanical supports for the new power plant.
Starting from the project documentation, each upper and lower support was calculated based on the applied loads and modelled in 3D using TEKLA®, then integrated into the overall plant model in SMART 3D®. This workflow made it possible to verify interferences, accessibility and spatial constraints in advance, ensuring full alignment between design, fabrication and installation.
STEP 2
Workflow automation
and process optimization
Thanks to an advanced software configuration and direct connections with Excel data sheets, the team automated a significant portion of the 2D drawing generation and material lists, dramatically reducing manual input.
This automation ensured efficient data management, full traceability and on-time delivery of the approximately 2,500 supports produced by CASTIM 2000 — despite challenges related to sourcing special materials (P91/P92).
Strategic project for Italy’s energy transition
Supports designed
Integrated software platforms
CONCLUSIONS
Integrated engineering for energy transition
The Tavazzano and Montanaso project stands as a best-practice example of effective collaboration between engineering and 3D digitalization in the energy sector. Through an integrated workflow and advanced modelling tools, 3Units helped ensure accuracy, speed and quality throughout the entire construction process — supporting Ansaldo Energia and CASTIM 2000 in delivering a key facility for flexible, low-emission energy production.